首页
关于我们
公司概况
企业文化
发展历程
企业荣誉
公司架构
核心产品
全自动玻璃盖板印刷系
全自动烘烤炉系列
3D玻璃全制程系列
其他
新闻中心
公司动态
行业资讯
视频中心
投资者关系
实时行情
公告
信息披露
招贤纳士
员工福利
招贤纳士
投送简历
安博·体育(中国)股份有限公司官网
EN
/
中文
语言
导航
EN
中文
首页
关于我们
公司概况
企业文化
发展历程
企业荣誉
公司架构
核心产品
全自动玻璃盖板印刷系
全自动烘烤炉系列
3D玻璃全制程系列
其他
新闻中心
公司动态
行业资讯
视频中心
投资者关系
实时行情
公告
信息披露
招贤纳士
员工福利
招贤纳士
投送简历
安博·体育(中国)股份有限公司官网
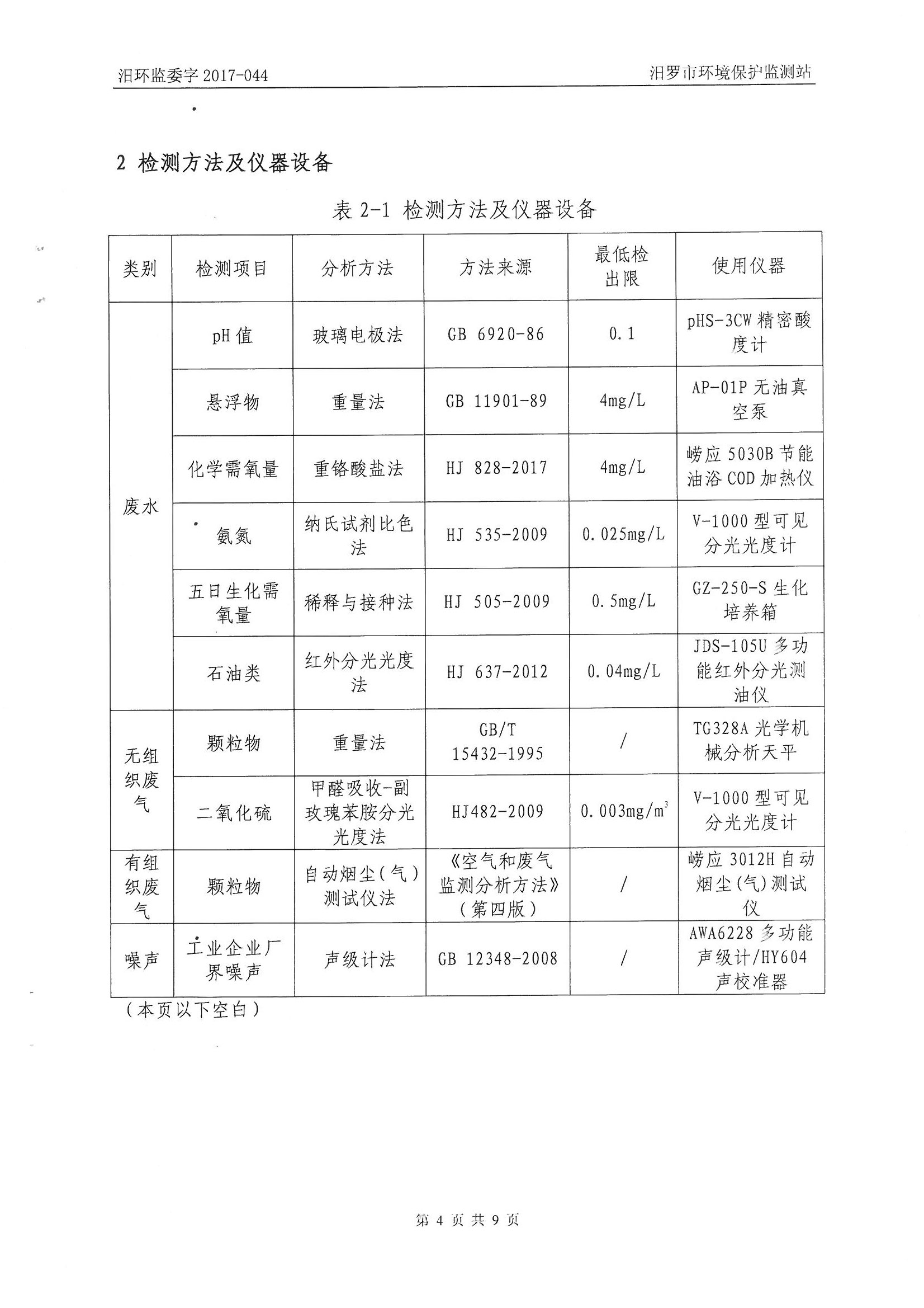
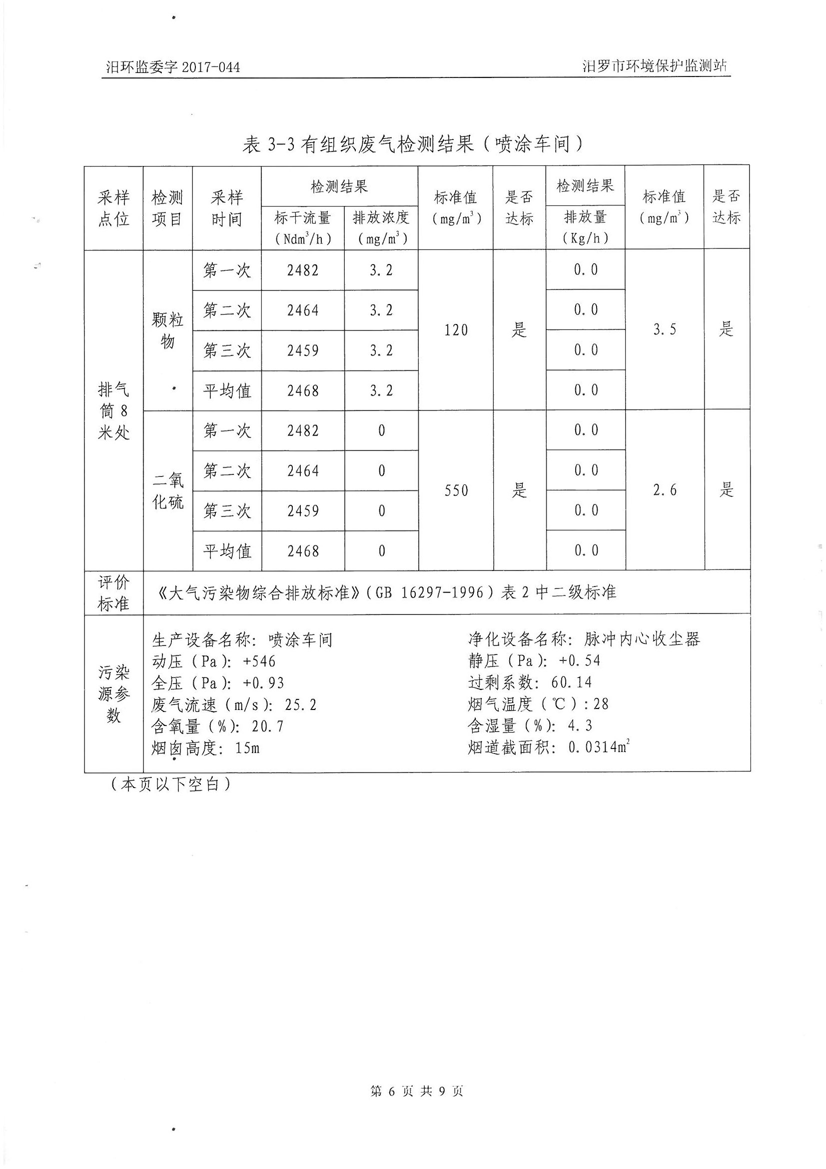
安博·体育(中国)股份有限公司官网环保监测报告
所属分类:
公司动态
发布时间:
2017-08-22
分享到:
Copyright © 2014-2016 安博·体育(中国)股份有限公司官网 版权所有 湘ICP备17016185号 执照认证链接
关闭
安博官方网站
|
好博网页登录
|
安博体育·(中国)官方网站
|
好博·体育
|
HAOBO.COM
|
安博电子官方网站
|
安博站·官方版网站登录入口
|
米兰平台
|
欧亿官方网页版_欧亿(中国)
|